基于芯海科技CPW3301的适配器应用案例
标签:
来源:国产品牌站
时间:2024-03-22 16:43
摘要:随着科技行业的快速发展和智能手机的普及,电源适配器市场规模正在迅速扩大
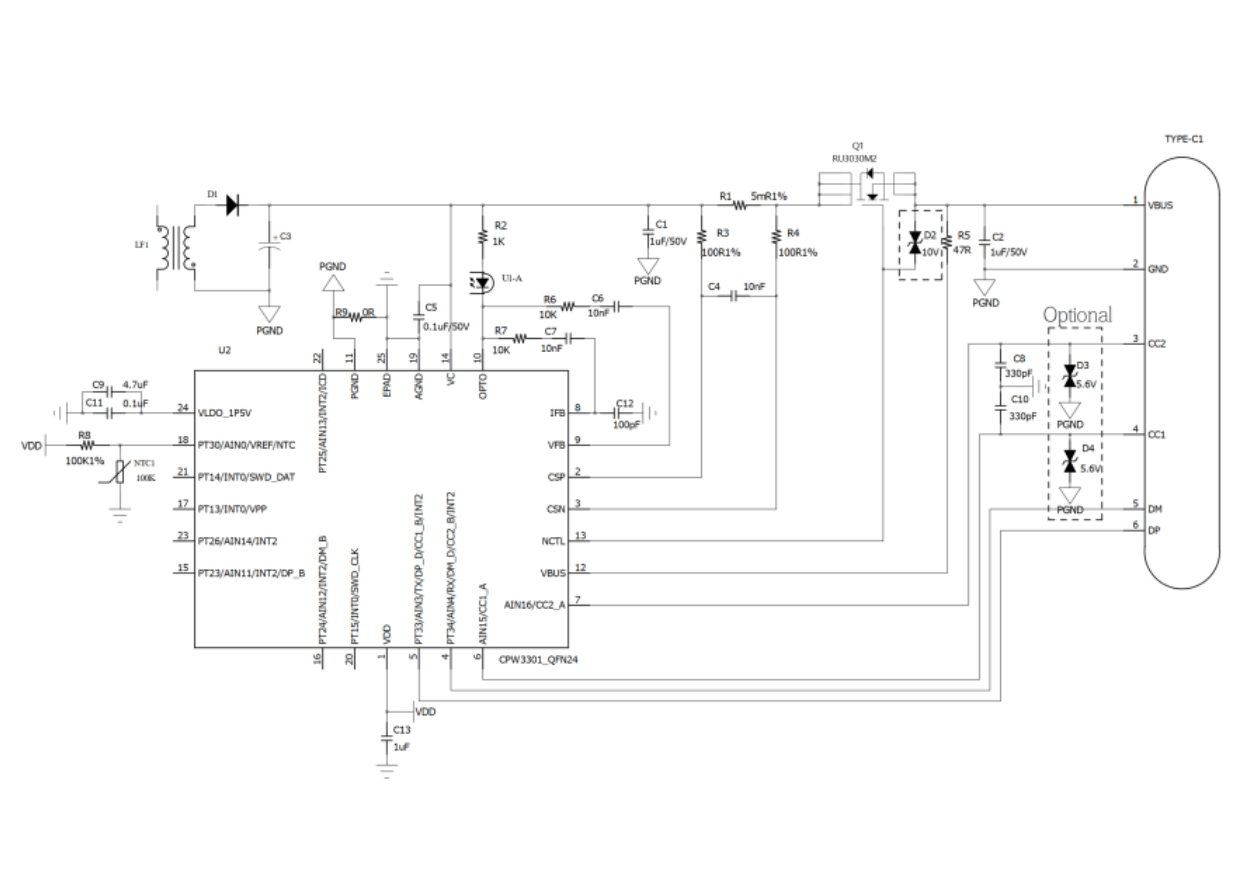
随着科技行业的快速发展和智能手机的普及,电源适配器市场规模正在迅速扩大。电源适配器在信息通信、消费电子、家用电器等多个应用领域都有广泛的应用,而随着科技的进步以及消费者需求的不断提升,市场对于适配器的需求也日益提升。根据市场研究机构的统计数据,全球电源适配器市场正在以年复合增长率7.1%的速度持续扩大,预计到2025年,市场规模将达到458亿美元,这也意味着电源适配器市场前景广阔。然而,当前的适配器市场虽然需求旺盛,却也面临一些问题。近年来,5000mah以上的电池已经成为主流,随着手机电池容量的增加,充电速度也成了影响用户体验的重要点。而随着不同品牌、不同协议的快充技术的发展,市场上出现了各种快充协议,如QC、PD、FCP、VOOC等。这种快充协议的多样化,给产品的设计和开发带来了很大的挑战。除此之外,快充效率、安全性、体积、兼容性等因素,也是用户在选择适配器时的重要考虑因素。为了解决这个问题,一个兼容多种快充协议的高功率适配器就显得十分重要。对此,芯海科技充分探索市场需求,并凭借其适配器应用技术的深入理解,研发推出适用于适配器应用的电源管理芯片CPW3301。一般来说,在快充适配器的应用架构中,主要包含AC-DC转换模块、电源控制模块、快充协议模块等三大模块。其中,AC-DC转换模块负责将220V交流电源转换为直流电源,电源控制模块主要用于将直流电压调整到手机需要的电压,而快充协议模块负责与手机握手沟通,收集手机申请的电压电流及各种信息等。CPW3301不仅集成了电源控制模块和快充协议模块,肩负了整个快充过程的核心任务,同时还专门解决了目前市场上电源适配器的一系列痛点。

首先,CPW3301的电源管理模块具有高集成度和丰富功能。该芯片集成了快充适配器三大模块中的两个模块:电源控制模块和快充协议模块。电源控制模块主要用于调整直流电压到手机需要的电压,主要集成了CC、CV环路控制、NMOS驱动、高精度电流采样、双边VBUS泄放等。其次,CPW3301的快充协议模块表现出强大的兼容性。产品覆盖了市面上主流的各种快充协议,如PD协议、PPS协议、QC协议、FCP协议、SCP协议、AFC协议、VOOC协议、APPLE协议、UFCS协议等。这就意味着,无论是何种品牌,何种型号的手机,都可以通过CPW3301获取良好的充电体验,满足用户的多样化需求。最后,CPW3301兼顾高安全设计。产品内置了12位ADC,以支持OVP、UVP、OCP、OTP、短路保护等多重保护机制,有效防止电源短路、过压、过流、过热等情况的发生,从而为用户和设备提供全方位的安全保护。

总而言之,芯海科技CPW3301的高集成度设计,减少了外围器件的数量和成本,使得整机体积更小,更适应现代消费者对于轻巧便携的需求。同时,丰富的快充协议可以让更多的充电设备有着更好的快充体验,单C口和1A1C应用以及灵活的快充协议组合,为客户多样化的需求带来方便。对于终端品牌而言,CPW3301凭借其独特的设计和创新的技术,具有更大的市场开发潜力。对于品牌客户的二次开发而言,芯海Smart PD开发生态具有资源丰富,协议灵活与兼容性好,丰富的参考资料、高效易用的开发工具等优势,能够帮助品牌客户实现简化产品设计、降低开发成本,进一步提升市场竞争力。芯海科技作为国内首批推出USB PD快充协议芯片的企业,参与了中国快充行业标准UFCS的制定。近年来,公司针对各个细分的应用领域,相继推出多款PD快充旗舰新品,在安全性、易用性等方面精益求精,实现了PD快充产品全领域的系列化布局,能够为客户的终端产品PD快充应用提供更有针对性的系统性解决方案。