XBLW芯伯乐-RTC实时时钟芯片。
标签:
来源:国产品牌站
时间:2024-07-23 14:03
摘要:实时时钟的缩写是RTC(Real_Time Clock)。RTC 是集成电路,通常称为时钟芯片。实时时钟芯片是日常生活中应用最为广泛的消费类电子产品之一。它为人们提供精确的实时时间,或者为电子系统提供精确的时间基准,实时时钟芯片大多采用精度较高的晶体振荡器作为时钟源。有些时钟芯片为了在主电源掉电时,还可以工作,需要外加电池供电。
实时时钟的缩写是RTC(Real_Time Clock)。RTC 是集成电路,通常称为时钟芯片。实时时钟芯片是日常生活中应用最为广泛的消费类电子产品之一。它为人们提供精确的实时时间,或者为电子系统提供精确的时间基准,实时时钟芯片大多采用精度较高的晶体振荡器作为时钟源。有些时钟芯片为了在主电源掉电时,还可以工作,需要外加电池供电。
工作原理
实时时钟,主要为各种电子系统提供时间基准,MCU、MPU、CPU均离不开RTC电路设计。通常把集成于芯片内部的RTC称为片内RTC,在芯片外扩展的RTC称为外部RTC。时钟芯片(RTC,Real Time Clock/Calendar)是利用相位锁定技术(PLL)来产生时钟信号,可以控制不同元件之间的时序,以保证正常的数字电路运行。而晶振是基于电学特性的无源元器件,利用晶体振荡的方式来产生稳定的振荡信号。
RTC实时时钟芯片分类
按照总线接口划分,有12C和SPI两类接口RTC实时时钟芯片,12C接口芯片型号
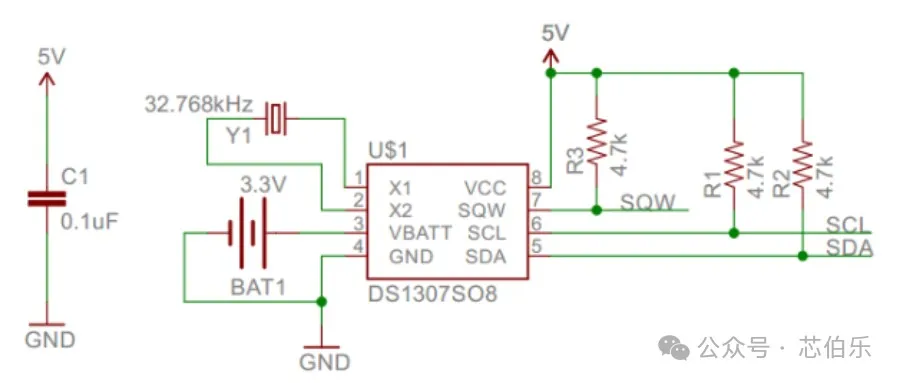
1.XBLW DS1307是一款低功耗,具有56字节非失性RAM的全BCD码时钟日历实时时钟芯片.地址和数据通过两线双向的串行总线传输.芯片可提供秒,分,小时,天数,日期,月份,年份等信息.每一个月的天数能自动调整,并具有闰年补偿功能. AM/PM 标志位决定时钟工作于24小时或12小时模式.芯片有一个内置的电源感应电路,具有掉电检测和电池切换功能。
主要特性:
● 工作电压:主电源电压4.5~5.5V,电池电压2.0~3.5V
● 功耗:电池供电、备份模式时<500nA
● 接口:I2C,最大速率100kbps
● 可编程方波输出
● 电源自动切换、失效检测
● 内置56字节大小、支持电池备份的RAM
● 封装:SOP-8 DIP-8
与Arduino的连接采用I2C接口与Arduino连接。SQW/OUT脚亦为开漏(open-drain)设计,需要接上拉电阻。 
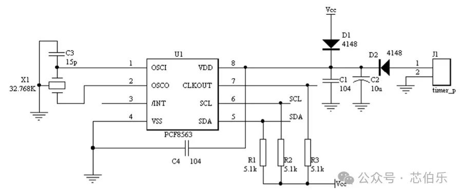
2.XBLW PCF8563是公司推出的一款工业级内含I2C 总线接口功能的具有极低功耗的 多功能时钟/日历芯片。PCF8563 的多种报警功能、定时器功能、时钟输出功能以及中断输出功能能完成各种复杂的定时服务,甚至可为单片机提供看门狗功能。是一款性价比极高的时钟芯片,它已被广泛用于电表、水表、气表、电话、传真机、便携式仪器以及电池供电的仪器仪表等产品领域。
主要特征有:
● 宽电压范围 2.5~5.5V, 复位电压标准值Vlow=0.9V。
● 超低功耗:典型值为6 uA (VDD=3.0V,Tamb=25℃
● 四种报警功能和定时器功能。
● 内含复位电路、振荡器电容和掉电检测电路。
● 开漏中断输出。
● 封装;sop-8 TSSOP-8

PCF8563应用电路原理图
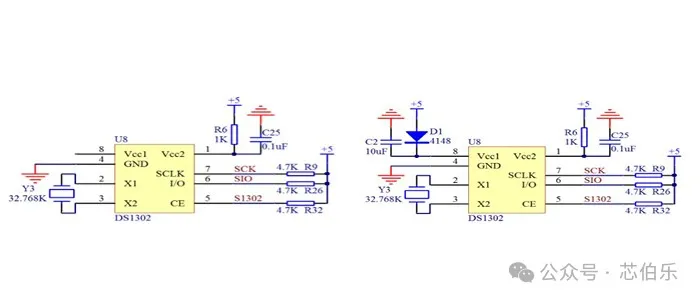
SPI总线接口RTC实时时钟芯片DS1302
芯片包含一个实时时钟/日历和31字节的静态随机存取存储器。它通过简单的串行接口与微处理器通信。实时时钟/日历提供秒、分、小时、日、月、星期和年的信息。对于少于31天的月份,月末日期会自动调整,包括闰年的更正。时钟以24小时制或12小时制运行,带有上午/下午指示器。
主要特征:
● 实时时钟计算年、月、日、时、分、秒、星 期,直到 2100 年,并有闰年调节功能
● 31 x 8 位 通用暂存 RAM
● 串行输入输出,使管脚数最少
● 2.0V 至 5.5V 宽电压范围操作
● 在 2.0V 时工作电流小于 300nA 读写时钟或 RAM 数据时有单字节或多字节(脉冲串模式)数据传送方式
● 8 管脚 DIP 封装或可选的 8 管脚表面安装 SOP 封装
● 简单的 3 线接口 与 TTL 兼容 (VCC = 5V) 可选的
● 工业温度范围:0C to +85°C

DS1302无备用电源 DS1302备用电源
XBLWDS1302可以用于数据记录,特别是对某些具有特殊意义的数据点的记录,能实现数据与出现该数据的时间同时记录。这种记录对长时间的连续测控系统结果的分析及对异常数据出现的原因的查找具有重要意义。
总结起来,RTC实时时钟芯片是一种集成电路芯片,主要用于提供高精度的时间和日期信息。它具备精确计时、时钟调节和电源管理等功能,被广泛应用在各种电子设备中。通过RTC芯片,可以实现设备时间的同步、电源的管理和工作时间的控制,提高设备的使用效率和能源利用率。